Kleine toilette - die feinheiten der einrichtung einer
Das Problem des freien Raums in der Wohnung ist eines der dringlichsten. Um den Wohnraum zu maximieren, reduzieren Designer manchmal die Größe der Toilette auf ein Minimum. Dies muss bei der Auswahl einer Toilettenschüssel berücksichtigt werden, da eine sperrige Sanitärarmatur nicht nur viel Platz beansprucht, sondern auch nicht in Innenräumen aussieht.

Über die Größe von Sanitärgeräten
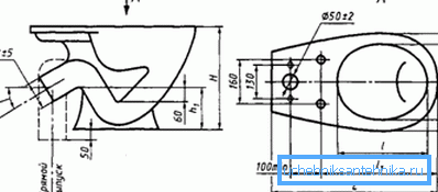
Für Sanitärkeramikgeräte gibt es eine eigene Norm, die neben den Installationsvorschriften Angaben zu den Abmessungen typischer Modelle enthält.
Gemäß GOST 30493-96 werden Toilettenschüsseln nach Größe in 3 Gruppen unterteilt:
- Für Kinder sind die Größen einer kleinen Toilettenschüssel 335, 405 und 290 mm in Höhe, Länge und Breite;
- Bei Modellen mit zusätzlichem Fachboden sind Höhe (370, 400 mm) und Länge - 460 mm standardisiert;
- Bei Modellen mit massiver Verkleidung legt die Norm solche Abmessungen fest: Länge - 605 und 575 mm (vorherige Absprache mit dem Kunden ist erforderlich), Breite - 340, 360 mm.

Beachten Sie! Bei der Auswahl eines bestimmten Modells ist es wünschenswert, die Variante mit einem Vollgussboden zu bevorzugen. Modelle mit einem angebrachten Fachboden erschweren die Installation einer Sanitärvorrichtung.
Es sollte nicht angenommen werden, dass die obigen Anforderungen für alle Arten von Toilettenbecken gelten. Europäische Modelle haben eine Vielzahl von Größen. Beispielsweise können sanitäre Anlagen für große Personen Abmessungen von 400 x 500 x 850 mm (Breite, Länge und Höhe) haben.
In kleinen Toilettenräumen kann eine Mini-Toilette verwendet werden. Die Abmessungen eines solchen Sanitärgeräts betragen: Länge - 460-590 mm; in der Höhe - 260-335 mm, gut, die Breite entspricht 290-350 mm.

Alleinstehende oder eingebaute hängende Modelle. Die Abmessungen dieser Modelle liegen im Bereich: Länge - 470-580 mm, Höhe - 390-420 mm, Breite - 355-370 mm.
Es kommt vor, dass die Geometrie des Raumes eine winklige Anordnung der Sanitärausrüstung erfordert. In diesem Fall werden die Abmessungen der Sanitäreinrichtung durch die Abmessungen der Ecke selbst bestimmt. Im Allgemeinen liegen die Abmessungen solcher Modelle ungefähr in diesem Bereich: Länge - 725 - 790 mm, Höhe - 740 - 815 mm, Breite - 345 - 375 mm.

Für welche Toilette wählen Sie eine kleine Toilette
Die Hauptregel, der eine Toilette für eine kleine Toilette entsprechen sollte, lautet, dass sie nicht zu massiv sein sollte. Zum einen wird dadurch wertvoller Platz gespart, und zum anderen „fällt“ eine optisch kleine Sanitärarmatur nicht vom Gesamtdesign des Raumes ab. Natürlich sollte es gleichzeitig bequem bleiben und keine Unannehmlichkeiten verursachen.
Wandtoilette ist schön und effektiv
Eine der besten Möglichkeiten, mehrere Fliegen mit einer Klappe zu töten, ist die Wahl eines hängenden Toilettenmodells mit einer Installation. Eine kleine hängende Toilette wird in einer Toilette jeder Größe perfekt aussehen, und die Möglichkeit, einen Toilettenspülkasten zu verstecken, kommt nur dem Gesamtstil des Raums zugute.

Damit sind die Vorteile nicht beendet. Bei aufgehängten Modellen ist es beispielsweise nicht erforderlich, das Muster der Fliesen auf dem Boden zu zerbrechen, und die Reinigung der Toilette wird wesentlich einfacher, da sich darunter keine schwer zugänglichen Stellen befinden.
Beachten Sie! Beim Kauf eines solchen Sanitärgeräts wird empfohlen, sofort eine Installation für seine Installation zu erwerben. In diesem Fall ist der Rahmen garantiert für die Belastung eines Erwachsenen ausgelegt.

Der einzige Nachteil dieser Art von Sanitäreinrichtungen kann im Vergleich zu den klassischen Modellen als ziemlich teuer angesehen werden.
Der Tank zusammen mit dem Installationssystem kostet nicht weniger als 6 bis 7 Tausend Rubel. Wenn wir den Preis der Toilettenschüssel mindestens 2,5 bis 3 Tausend Rubel in Betracht ziehen, ist es leicht, über 10 Tausend Rubel zu gehen.
Nach der Installation scheint die Sanitärarmatur direkt an der Wand befestigt zu sein, und die Festigkeit einer solchen Befestigung scheint gering zu sein. Dies ist nichts weiter als eine optische Täuschung, da die Sanitäreinrichtung am Stahlrahmen befestigt ist. Die Last von einigen hundert Kilogramm liegt also in der Macht der aufgehängten Toilette.
Wenn die Installationsarbeiten von Hand ausgeführt werden, muss der Tank bei der Installation der Installation leicht zugänglich sein. Probleme mit installierten Armaturen treten häufig auf, und da der Tank selbst durch eine Trennwand verborgen ist, ist es nicht so leicht, ihn zu erreichen. Das Problem des Zugangs zum Inneren der Zisterne wird gelöst, indem das Revisionsfenster installiert wird. Im Falle eines Defekts reicht es aus, es zu entfernen. Danach können Sie die Armatur der Zisterne austauschen.

Konventionelle und Mini-Toiletten
Zum Verkauf finden Sie die sogenannten Kindermodelle, die sich von den gewöhnlichen Modellen nur unterscheiden. So ist die Größe der kleinsten Toiletten 7 bis 8 cm geringer als die üblichen Abmessungen: Wenn Sie vorhaben, eine kleine Sanitäreinrichtung zu installieren, muss diese möglicherweise etwas über dem Fußboden angebracht werden, da die Höhe für einen Erwachsenen möglicherweise nicht ausreicht .

Die Tatsache, dass solche Sanitärartikel in Geschäften oft als Kinder bezeichnet werden, macht sie für einen Erwachsenen nicht ungeeignet. Das einzige, was berücksichtigt werden muss, ist, dass die Größe der Schüssel immer noch kleiner als die einer gewöhnlichen ist, so dass eine solche Wahl für große Menschen nicht als optimal bezeichnet werden kann. Außerdem können etwas schmalere Kanten beim Absturz in den Körper Unbehagen verursachen.
In diesem Fall kann man die übliche Toilette einbauen und mit den Tank- und Abwasserleitungen einfach hinter einer falschen Wand verstecken. In einem kleinen Raum wird ein guter visueller Effekt erzielt. Aufgrund der Tatsache, dass der Abwassertank hinter der Trennwand verborgen ist, erscheint selbst ein mittelgroßes Sanitärgerät in einem kleinen Raum nicht zu groß.
Beachten Sie! Damit die Reparatur des Spülbehälters weiterhin in der falschen Wand gefoltert wird, muss ein Sichtfenster vorgesehen werden.
Der Einfluss der Größe der Toilettenschüssel auf den menschlichen Komfort
Selbst die üblichste Toilettenschüssel mit unsachgemäßer Installation kann bei der Verwendung sehr unangenehm sein. Bei der Auswahl müssen Sie auch die Abmessungen der Sanitäreinrichtung berücksichtigen.
Anweisungen für die Auswahl eines Sanitärgeräts umfassen die folgenden Elemente:
- Lünette sollte nicht zu eng sein. Andernfalls stößt es gegen das Fleisch und die Beine können bei längerem Sitzen taub werden.
- Seine Abmessungen sollten so sein, dass sich die darauf sitzende Person nach der Installation völlig entspannt fühlt, Beinmuskeln sollten nicht angespannt sein. Die Höhe des Geräts sollte so sein, dass die Beine nicht in der Luft hängen, sondern auf dem Boden stehen und die Knie im rechten Winkel gebeugt sind. Wenn Sie eine Mini-Toilette benutzen, müssen Sie möglicherweise ein kleines Podium bauen.

- Es ist verboten, sanitäre Einrichtungen direkt an den Wänden anzubringen. Es wird angenommen, dass der minimal zulässige Abstand zur Tür mindestens 0,6 bis 0,7 m betragen sollte, und zu den Wänden an den Seiten - 0,3 bis 0,4 m. In diesem Fall behindert nichts die Bewegung einer Person.
Am ende
Bei der Auswahl einer Toilettenschüssel ist das Hauptkriterium manchmal nicht der Preis oder auch das Aussehen, sondern ihre Abmessungen, schließlich ist ein großes Sanitärgerät nicht für jede Toilette geeignet. Kleine Toiletten können als universelle Lösung betrachtet werden. Solche Geräte sehen sowohl in einer großen als auch in einer bescheidenen Toilette, in der jeder Zentimeter freier Raum gezählt wird, hervorragend aus.
Das kurze Video in diesem Artikel zeigt ein Beispiel für die Installation einer kompakten Toilette in einem kleinen Badezimmer.